電纜故障測試儀操作規程:操作方法與步驟
開機前準備工作及一般測試方法:
1.現場故障測試前應首先檢查儀器電量是否充足,若電量不足時,應外接電源,儀器方可正常使用。
2.開啟“電源開關”,待儀器進入Windows桌面系統后,自動進入電纜故障測試系統設置界面。
按下“測試電源”鍵,此時儀器面板上“閃絡、脈沖”指示燈交替閃爍,默認“低壓脈沖”狀態。(注:如果儀器退出電纜故障測試儀系統后,回到了桌面系統,需要重新進入電纜故障測試系統,可用觸摸筆雙擊桌面系統上電纜儀圖標,重新進入電纜故障測試系統設置界面)。
3.根據被測電纜的類型、實際長度及故障性質,用觸摸筆點擊電纜儀相關觸摸鍵,進行參數初始設置。
4.參數設置完畢(默認“低壓脈沖法”),將儀器測試線紅、黑二個夾子分別接到被測故障電纜的故障相和另一好相或電纜地線上,點擊“采樣”鍵,儀器自動進入數據采集狀態,波形同時顯示在屏幕上。再次點擊“采樣”鍵,儀器便進入“連續”采樣狀態。操作者可根據屏幕上顯示的波形幅度及位置不斷調節“位置調節”和“振幅調節”旋鈕。調整到波形便于分析為止,再點擊“取消采樣”觸摸鍵停止采樣。
5.如果設置“高壓閃絡法”,點擊“采樣”鍵后,儀器進入“采樣中”的等待狀態,對故障電纜高壓沖閃時,便會自動將“采樣盒”采集的信號顯示在屏幕上。并且再次進入“采樣中”的等待狀態,準備采集下一次高壓沖閃時的信號。在不斷高壓沖閃采樣過程中調節“位移調節”“振幅調節”旋鈕,調整到波形便于分析為止,再點擊“取消采樣” 觸摸鍵停止采樣,然后進行游標操作,得到故障點距測試端電纜長度。
故障測試操作方法
一、低壓脈沖法檢測故障電纜低阻、短路、斷路及電纜全長
開啟電源開關,待儀器自動進入電纜測試系統預置界面。根據被測故障電纜的類型、實際長度,點擊屏幕右側模擬鍵中的“電纜種類”、“檢測方法”、“長度選擇”、“采樣頻率”等,進行設置。
1.“電纜類型”的選擇:依據被測電纜的類型,不斷點擊“電纜種類”模擬鍵。觀察屏幕下方的當前狀態設置欄,直到顯示的電纜種類與被測電纜的種類一致為止。
2.點擊“檢測方法” 模擬鍵,屏幕下方的當前狀態設置欄循環顯示“低壓脈沖法”和“高壓閃絡法”。選擇“低壓脈沖法”狀態時,儀器面板上的“脈沖”綠色指示燈亮;選擇“高壓閃絡法”狀態時,儀器面板上的“沖閃”紅色指示燈亮。
3.點擊“長度選擇”:模擬鍵,屏幕下方的當前狀態設置欄循環顯示“﹤1KM、 ﹤3KM、>3KM三種”。
4.參數設置完畢(選擇“低壓脈沖法”),將儀器測試線紅、黑二個夾子分別接到被測故障電纜的故障相和另一好相或電纜地上,點擊“采樣”鍵,儀器自動進入數據采集狀態,(如圖四所示)波形同時顯示在屏幕上。再次點擊“采樣”鍵,儀器便進入“連續”采樣狀態。操作者可根據屏幕上顯示的波形幅度及位置不斷調節“位置調節”和“振幅調節”旋鈕。調整到波形便于分析為止,再點擊“取消采樣”觸摸鍵停止采樣。
5.在進行數據處理時,可根據波形的具體情況對波形進行展寬、壓縮、左右移動,再滑動雙電子游標判讀故障距離。(如圖五所示)。
6.“保存”操作步驟:點擊 “保存”按鍵,屏幕將彈出二級菜單。(如圖六所示)。完成波形的保存。
1—波形左移按鍵
2—波形右移按鍵
3—波形低、中、高移動速度切換按鍵
4—波形壓縮按鍵
5—波形展寬按鍵
6—波形壓縮、展寬還原按鍵
7—游標微、中、粗移動速度切換按鍵
8—游標慢速左移按鍵
9—游標慢速右移按健
10—游標選擇的切換
11—游標快速左移按鍵
12—游標快速右移按健
7.“打開文件”
調用以前保存的波形,用于觀察、分析。點擊屏幕右側的“打開文件”按鍵(如圖七所示),選中所需的波形文件,點擊打開即可。
8.“打印波形”
需要打印時,用USB線將儀器面板右側的USB口與打印機連接,點擊“打印文件”按鍵,顯示打印界面,(如圖八所示)。此界面顯示出即將打印的測試波形和所有相關測試信息。點擊“打印機”即可進入打印機型號選擇界面,確定打印機后,點擊“參數修改”確定打印紙張類型和打印份數。點擊“開始打印”鍵即可由打印機打印出選定的測試波形。
注:與計算機相同,必須首先裝入與所選打印機匹配的驅動程序才可進行正常打印。
9.“波形對比”是將系統內已經保存的兩組同類型電纜波形調出進行對比分析。點擊系統操作界面二(圖三)屏幕右側“波形對比”按鍵,選擇所需對比的兩組同類型電纜,其中第1組波形為主比較數據波形(當前顯示的波形),第二組波形為需要選擇的副比較波形。如圖九所示。點擊“選擇(w)”,彈出文件夾后,選擇需要比較的文件名,點擊“打開”鍵便完成了對比的準備工作。再點擊“比較”按鍵,即可進行兩組波形的同屏對比分析。
10.“波速測量”:
為了準確地測量電纜的長度或故障距離,需要對被測電纜的電波傳播速度進行重新測量。
“波速測量”方法如下:
首先選一段和被測電纜相同類型的已知長度電纜(或已知長度的被測電纜)。將儀器檢測方法預置在低壓脈沖法測試狀態,選擇適當的“電纜長度”按鍵,“電纜類型”預置在“其它類型電纜 速度未知”。點擊“波速測量”,屏幕將彈出 “請選擇計算方式”的提示菜單(如圖十所示)。點擊菜單中的“用實時通訊數據計算速度”和“測量吧”按鍵后,儀器開始輸出測試脈沖,并在屏幕上顯示出發射脈沖與回波脈沖波形。將波形適當展寬,并用雙電子游標分別卡住發射脈沖和回波脈沖的前沿拐點。兩游標間顯示的數字為兩脈沖間的間隔時間(如圖十一所示)。
此時,點擊“計算速度”按鍵,界面又彈出提示“請輸入已知電纜長度”的子菜單。如圖十二所示。
點擊“采樣”鍵,儀器將進入傳播速度輸入界面。(如圖十四所示)。點擊“確定”鍵,儀器便自動進行數據采集。測試結果界面(如圖十五所示)。此時移動游標對波形進行距離標定。
11.“返回”
“返回”按鍵是在需要將當前界面返回到初始設置界面時使用。
12.“退出”
測試完畢,點擊“退出”按鍵,儀器退出測試系統。
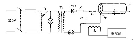
沖擊高壓閃絡法接線原理圖,如圖十八所示。用散裝高壓設備進行沖擊高壓閃絡法時的接線示意圖,如圖十九所示。

采用電流取樣法,在儀器輸出端接電流取樣器,將電流取樣器放在電纜地線與電容地線之間的附近。測試線路經檢查無誤即可進行高壓閃絡測試。只要沖擊電壓足夠高,故障點將被電弧擊穿。電流取樣器將采集電纜中的反射脈沖波傳送到電纜儀,并觸發儀器進行數據采集,在屏幕上顯示出電纜的測試波形。